| 
                      Для подписчиков сайта
                         +375297035776  | 
        
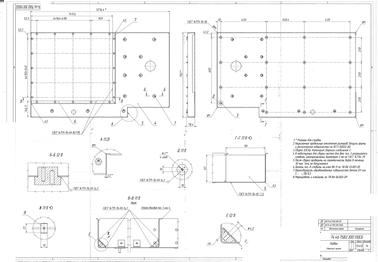
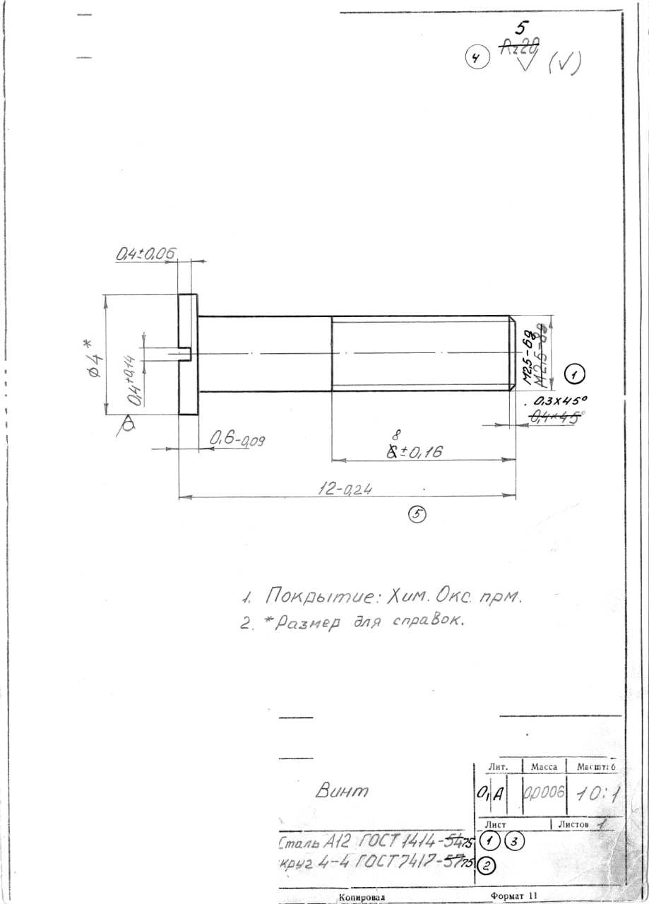
          29.10.2025 Нужно изготовить Поддон в сборе BA74.46.7582.300.130СБ - 1 шт. (во вложении). Позиция горит. Мы готовы предоставить материалы для изготовления. Рассмотрите, пожалуйста в кротчайшие сроки. Мы готовы заплатить хорошую цену за срочное изготовление. Сбор КП до: 01.11.25. Доставка - РФ г. Воронеж.  | 
        
        |
| Заказ выполнен | 
          28.10.2025 Направьте пожалуйста коммерческое предложение на реализацию: - штамп 16*45 (Trodat, Color). Ориентировочное количество штампов в месяц 5-7 шт. Дополнительная информация и документация по запросу.  | 
        
        |
| 
                      Для подписчиков сайта
                         +375297035776  | 
        
          26.10.2025 Предлагаем рассмотреть возможность изготовления позиции Нож ВРЛМ.614264.001 в количестве 2 шт. Желаемый срок поставки: 15.12.2025 Способ оплаты: Постоплата – оплата по факту исполнения обязательств по заказу. Сбор КП до: 01.12.25 Доставка - г. Санкт-Петербург  | 
        
        |
| 
                      Для подписчиков сайта
                         +375297035776  | 
        
          26.10.2025 Просьба рассмотреть возможность оказания услуг по гальванопокрытию приведенных ниже деталей и выслать коммерческое предложение (O-Bu, КД прилагается): 1. Штекер 173.722.105-01 - годовая потребность - 1,5-2 млн. шт. 2. Штекер ТАИС.757474.085 - годовая потребность - 1 млн. шт. 3. Штекер ТАИС.757474.085 - 01 - годовая потребность - 1 млн. шт. 4. Штекер ТАИС.757474.085 - 02 - годовая потребность - 500 тыс. шт. 5. Штекер ТАИС.757474.086 - годовая потребность - 500 тыс. шт. 6. Угольник ТАИС.745322.365 - годовая потребность - 20 тыс. шт. 7. Угольник ТАИС.745322.366 - годовая потребность - 20 тыс. шт. 8. Наконечник ТАИС.757.462.003 - годовая потребность - 20 тыс. шт.  | 
        
        |
| 
                      Александр
                         80291659303  | 
        
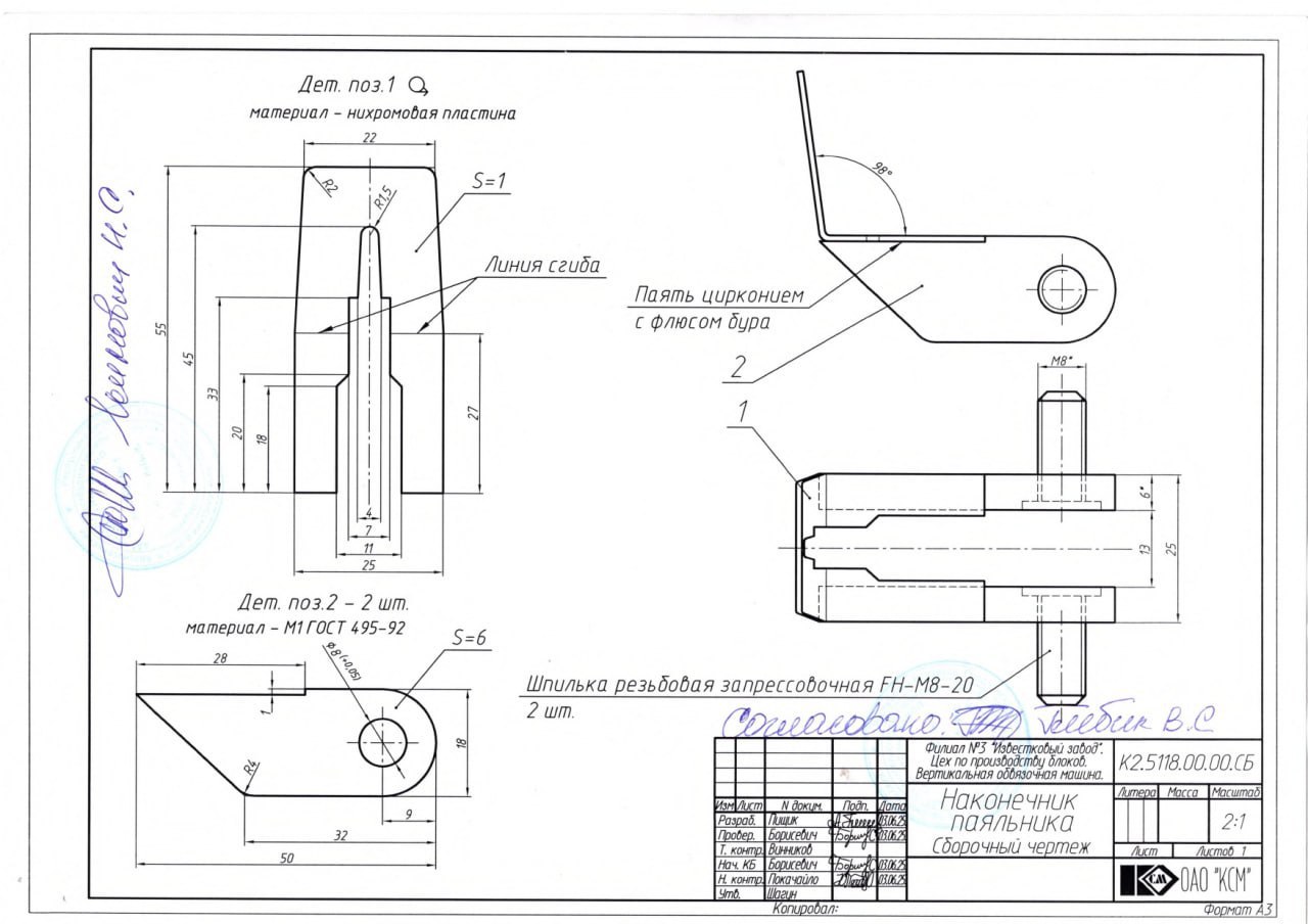
          24.10.2025 Требуется изготовление по 1 штуке. Закалка + шлифовка. Важно выдержка углов. По заготовке в поступательном движении двигается металлический наконечник (копир) вес около 20 кг Чертежи во вложении. Интересует стоимость и сроки изготовления.  | 
        
        |
| 
                      Для подписчиков сайта
                         +375297035776  | 
        
          23.10.2025 Просим рассмотреть запрос и техническую документацию во вложении и, по возможности, предоставить нам коммерческое предложение.  | 
        
        |
| 
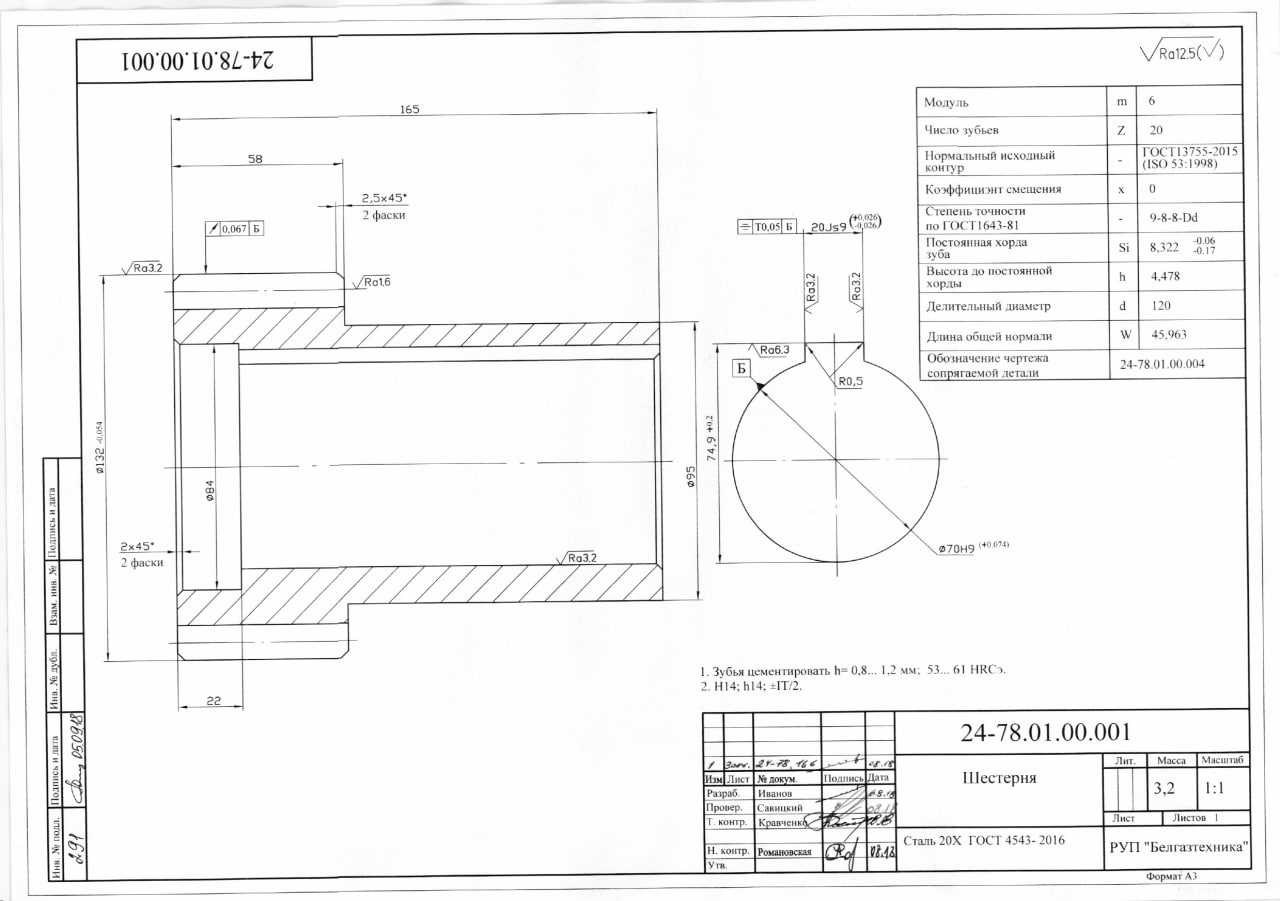
                       Белгазтехника 
                         +375296144026  | 
        
          23.10.2025 Просим Вас рассмотреть возможность оказания услуг по кооперации для нашего предприятия, в соответствии с приложенными документами. 1. 24-78.01.00.001 Шестерня (КНП) - 1 шт. ( зубонарезка, изготовление шпоночного паза, цементация, последующая т/о). 2. 24-78.01.00.004 Колесо зубчатое (КНП) - 1 шт. (зубонарезка, цементация, последующая т/о). 3. 24-78.01.00.021 Звёздочка (КНП) - 1 шт (цементация, последующая т/о). 4. 24-78.03.00.008 Звёздочка (КНП) - 6 шт. (цементация, последующая т/о),  | 
        
        |
| 
                      Бруев Константин
                         +375447341826  | 
        
          23.10.2025 Просим сообщить о возможности поставки продукции в наш адрес: шкив канатиковой заправки блока цилиндров бумагоделательной машины 821.1. Кол-во 2 шт.  | 
        
        |
| 
                      ООО “МетТрансТерминал”
                         +375447958087  | 
        
          23.10.2025 Можете ли Вы изготовить данные валы: Марка стали 40Х13. На валковый пресс.  | 
        
        |
| 
                      Вячеслав
                         80293487088  | 
        
          21.10.2025 Изготовления поддонов и бруса по чертежам  | 
        
        |
| 
                      ЗАО Беспилотные летательн
                         +375292797501  | 
        
          19.10.2025 Галтовка обработка изделий сложной конфигурации, тонкостенных и легкодеформируемых изделий  | 
        
        |
| 
                      Для подписчиков сайта
                         +375297035776  | 
        
          19.10.2025 Просим рассмотреть запрос и техническую документацию во вложении и, по возможности, предоставить нам коммерческое предложение.  | 
        
        |
| 
                      Филиал ТБЗ Сергеевичское
                         +375295505873  | 
        
          19.10.2025 Изготовление шайбы 02-436 в количестве 2 шт.  | 
        
        |
| 
                      Компрессорный завод  Крис
                         +375222735665  | 
        
          16.10.2025 Просим оказать техническую помощь по термообработке следующих заготовок: Общая закалка, заготовка, круг диаметром 65, длина 1320 мм., сталь 40Х13 – 2шт. 28-32 HRC  | 
        
        |
| 
                      ОАО  УКХ  ММЗ 
                         +375172183019  | 
        
          15.10.2025 Прошу Вас сообщить возможность поставки и стоимости для нашего предприятия на следующую позицию: Пружина сжатия (чертеж прилагается)- -300 шт.  | 
        
        |
| 
                      Для подписчиков сайта
                         +375297035776  | 
        
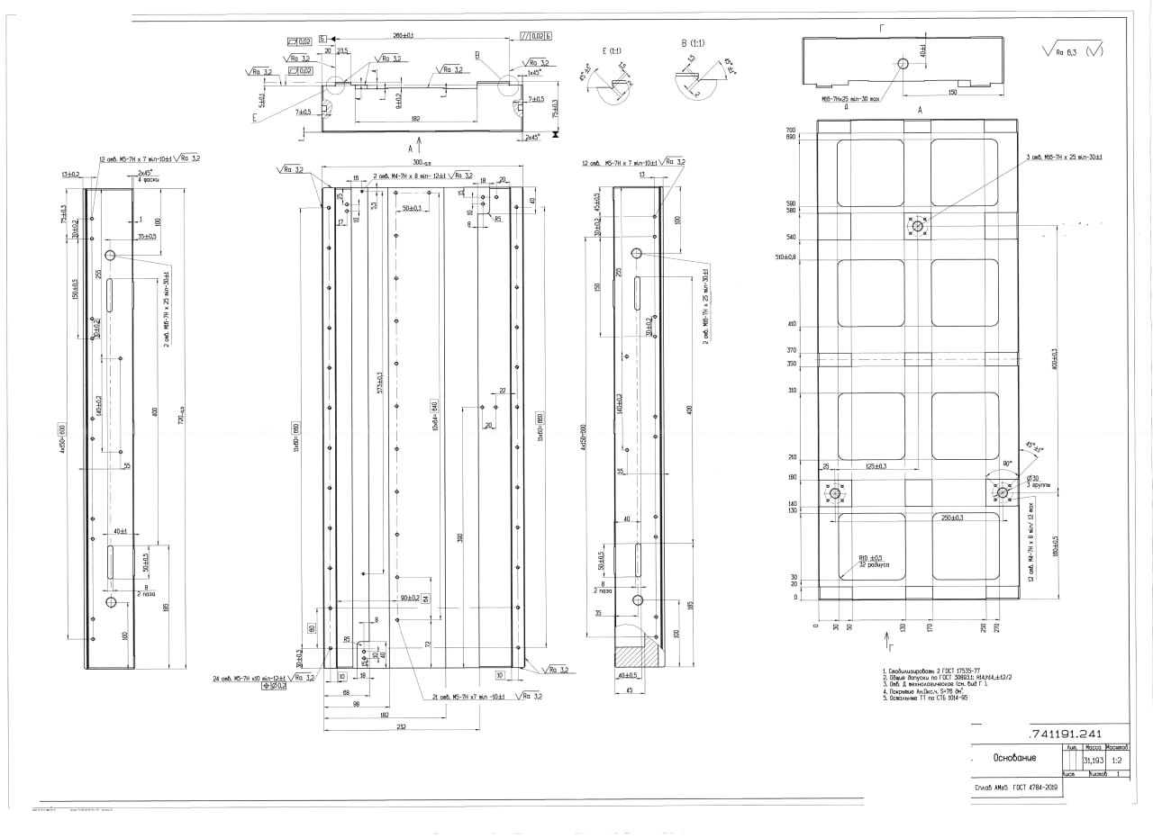
          15.10.2025 Необходимо изготовить - плита 700 . 64 шт. Количество штук может меняться в меньшую сторон в зависимости от стоимости. Допустимая погрешность в размерах 700мм+/-10мм, 182мм-7мм, 45мм+/-10мм. Материал ст3 сп 5.  | 
        
        |
| 
                      ЗАО  Беспилотные летатель
                         +375292797501  | 
        
          13.10.2025 Нужно шлифовать две плоскости по размеру 17 и уступ по размеру 41,5. 2 шт.  | 
        
        |
| 
                      Для подписчиков сайта
                         +375297035776  | 
        
          12.10.2025 Прошу предоставить коммерческое предложение. Изготовление стержня беличьей клетки ротора из медного прутка - 28 шт. Предпочтительные условия оплаты: по факту поставки на склад покупателя в течение 5 (пяти) банковских дней.  | 
        
        |
| 
                      Кухарев Дмитрий Александр
                         80291830304  | 
        
          08.10.2025 Изготовление по чертежам заказчика. Количество 1 шт.  | 
        
        |
| 
                      Максим
                         +375 44 7651290  | 
        
          07.10.2025 Просим рассмотреть сроки и стоимость изготовление деталей без учета покраски/гальвано покрытия  | 
        
        |
| 
                      Кухарев Дмитрий Александр
                         80291830304  | 
        
          07.10.2025 Изготовление согласно КД Заказчика.  | 
        
        |
| 
                      Максим
                         Контакт по эл. почте  | 
        
          05.10.2025 Необходимо выполнить только шлифование отверстий согласно требований чертежа для трёх позиций. Токарную обработку и плоскошлифование торцев (база) выполняем сами. Ищем надежного исполнителя на данную операцию. Примерное кол-во в месяц 250-300 шт. В данный момент нужен пробник. Ваши предложения по цене, пожелания по работе оставляйте на почту, договоримся.  | 
        
        |
| 
                      Максим ОАО  Могилевлифтма
                         8-029-665-14-91  | 
        
          03.10.2025 Шлифование двух подштамповых плит неразборных (1000х1520 и 1000х1600) совместно с вкладышем для устранения повреждений  | 
        
        |
| 
                      ООО  АКВАР-СИСТЕМ 
                         +375297058330  | 
        
          01.10.2025 Прошу Вас направить КП на изготовление: 1. ИАВП 400.01.03.100_Ложемент - 1 шт.; 2. ИАВП 400.01.03.100-01_Ложемент - 1 шт.; 3. ИАВП 400.01.03.000_Кондуктор сварочный - 1 шт.; 4. ИАВП 400.01.03.000-01_Кондуктор сварочный - 1 шт.; 5. ИАВП 4008000.01.03.000 Стойка - 1 шт.; 6. ИАВП 4008000.01.03.000-01 Стойка - 1 шт  | 
        
        |
| 
                      Для подписчиков сайта
                         +375297035776  | 
        
          27.09.2025 1. Кронштейн для вентпланки оцинковка 2 мм, проходная цена есть. 200 шт. раз в квартал. Условия оплаты 20% – авансовый платеж после заключения договора; ∙ 20% – платеж перед отгрузкой; ∙ 60% – равными долями в течение трех недель после отгрузки и подписания акта приема-передачи (по 20% еженедельно предложения высылать на эл почту). 2. Стартовый профиль ММЧ материал оцинкованная сталь 1,5мм, допуски на размер +- 0.1 мм., по длине 1.0 мм. 300 шт. раз в месяц. Проходная цена есть. Требуется 2 образца. 3. Кронштейн (1 и 2) крепления секции состоит из 2х деталей материал оцинкованная сталь 1мм. Кол-во 300 шт/в квартал. Проходная цена есть. Регион: Московская обл., г Истра.  | 
        
        |
| 
                      Для подписчиков сайта
                         +375297035776  | 
        
          25.09.2025 Предлагаем рассмотреть возможность изготовления центрифуги. 300 шт. Регион: Воронежская обл., г Воронеж  | 
        
        |
| 
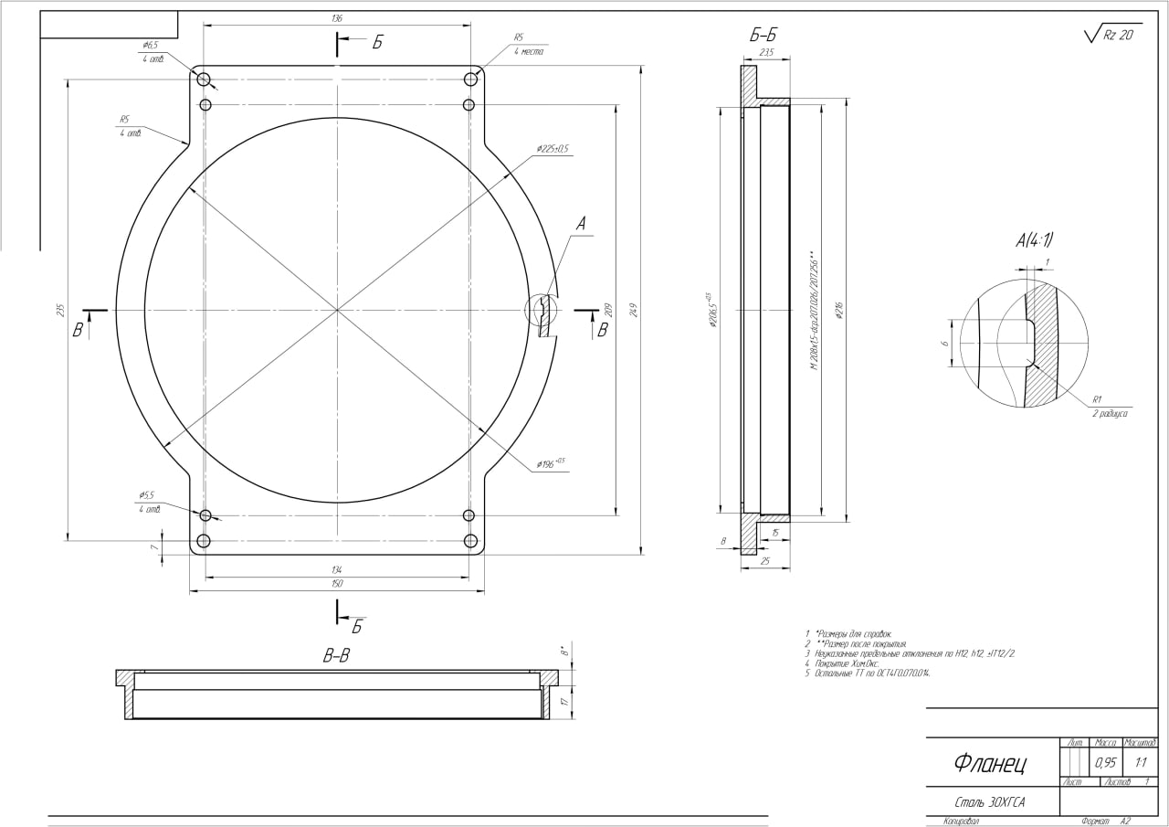
                      Для подписчиков сайта
                         +375297035776  | 
        
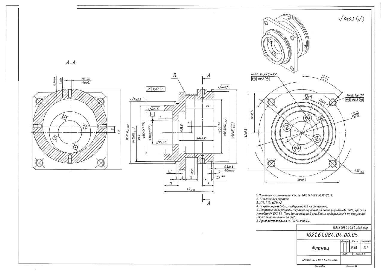
          25.09.2025 Нужно полное изготовление деталей Корпус и Фланец . 160 шт. Регион: Ивановская обл., г Иваново  | 
        
        |
| 
                      Для подписчиков сайта
                         +375297035776  | 
        
          25.09.2025 Интересует изготовление шестерен по чертежам во вложении: 1. Шестерня m=10 Z=17 (Р-8639-1-19) - 2 шт. 2. Шестерня m=10 Z=38 (Р-8639-1-9) - 2 шт. 3. Шестерня составная m=10 z=86 (Р-8639-1-12 СБ - Ступица + Р-8639-1-13 - Венец) - 2 шт. Все, кроме Венца, из стали 12Х18Н10Т. Венец из бронзы БрАЖ9-4. Регион: Нижегородская обл.  | 
        
        |
| 
                      Для подписчиков сайта
                         +375297035776  | 
        
          24.09.2025 Интересует изготовление данного изделия (литье). Ждем предложений, пишите только Ватсап! Чертежи направлю.2 шт. в год. Адрес доставки - Республика Татарстан.  | 
        
        |
| 
                      ОДО  Универсал-Авто 
                         +375174232329  | 
        
          23.09.2025 Необходимо произвести цементацию втулки согласно чертежа в файле в кол-ве 4 шт. Ждём КП. 4 шт.  | 
        
        |
| 
                      Александр
                         +375291760146  | 
        
          23.09.2025 Электроэрозионная обработка контура  | 
        
        |
| 
                      ООО  Сила Металла 
                         +375256786019  | 
        
          22.09.2025 Прошу рассмотреть возможность изготовления деталей из НЕРЖАВЕЮЩЕЙ стали согласно эскизов. Толщина и количество на фото. Стоимость прошу отправить на вайбер или электронную почту.  | 
        
        |
| 
                      Для подписчиков сайта
                         +375297035776  | 
        
          21.09.2025 Интересует изготовление фланцев по чертежам. Каждого вида по 2 штуке. (всего 6 фланцев). Интересует стоимость и сроки изготовления. Хочется побыстрее. Адрес доставки - Нижегородская обл., г. Дзержинск.  | 
        
        |
| 
                      Для подписчиков сайта
                         +375297035776  | 
        
          21.09.2025 Необходимо изготовить пресс-форму для прессования порошков железа, согласно прилагаемого эскиза. Остальная КД по запросу.6 шт. раз в квартал Адрес доставки - Нижегородская обл., г Дзержинск.  | 
        
        |
| 
                      Антонов Дмитрий Владимиро
                         +375447885254  | 
        
          15.09.2025 фрезерная обработка плиты сварочной  | 
        
        |
| 
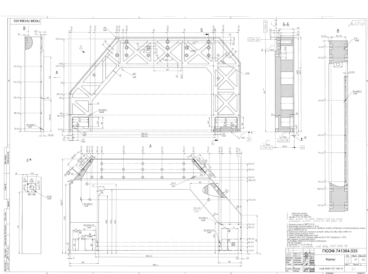
                      Анастасия
                         +375 44 748 54 15  | 
        
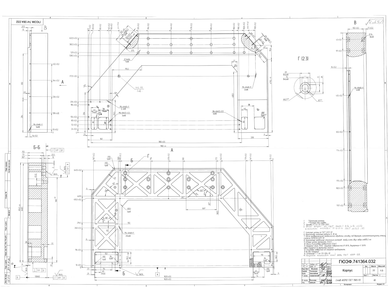
          15.09.2025 Требуется обработать алюминиевое литье (АК5М2) по КД, два корпуса: ГЮЭФ.741364.032 - 1 шт.; ГЮЭФ.741364.033 - 1 шт.; Чертежи прикреплены. Ждём Ваши предложения.  | 
        
        |
| 
                      Для подписчиков сайта
                         +375297035776  | 
        
          14.09.2025 Прошу рассмотреть возможность изготовления детали и дать КП с указанием сроков. 8500 шт. Сбор КП до: 17.09.25.  | 
        
        |
| 
                      Для подписчиков сайта
                         +375297035776  | 
        
          14.09.2025 Предлагаем рассмотреть возможность фрезерования (доработки) имеющихся кассет ВРЛМ.296225.034. Материал: давальческий графит ЭГО. Чертеж итогового изделия: ВРЛМ.296225.034. Эскиз имеющихся кассет представлен в документах к заявке. 77 шт. Сбор КП до: 15.09.25  | 
        
        |
| 
                      Для подписчиков сайта
                         +375297035776  | 
        
          10.09.2025 Шкив со шпоночным пазом. Изготовление согласно КД.50 шт  | 
        
        |
| 
                      Филиал ТБЗ Сергеевичское
                         +375295505873  | 
        
          10.09.2025 Нужна обработка имеющейся отливки в количестве 6 штук.  | 
        
        |
| 
                      Для подписчиков сайта
                         +375297035776  | 
        
          10.09.2025 Ищем партнера для изготовления деталей для ремонта оборудования. Заказы единичные или малосерийные. Чертежи и оригиналы деталей имеем, для идентификации. Некоторые чертежи деталей выкладываем для ознакомления. Регион - Московская обл.  | 
        
        |
| 
                      Для подписчиков сайта
                         +375297035776  | 
        
          08.09.2025 Необходимо изготовить деталь согласно кд. Сталь 20. 100 шт.  | 
        
        |
| 
                      Для подписчиков сайта
                         +375297035776  | 
        
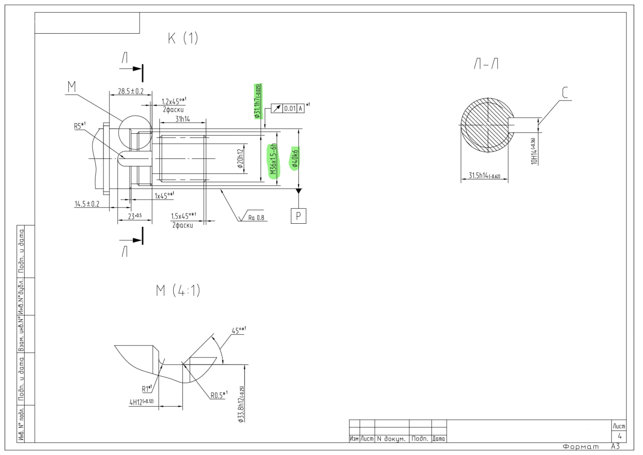
          07.09.2025 Прошу рассмотреть возможность обработки зуба согласно прилагаемому чертежу, твердость заготовки под обработку 28...34 HRc. Предполагаемое количество первой партии в районе 10 штук. Зеленым выделил места на которые необходимо обратить внимание. Ответной части для проверки посадочных размеров у нас нет. Сбор КП до: 11.09.25 Адрес доставки - г. Воронеж  | 
        
        |
| 
                      Максим
                         +375 44 7651290  | 
        
          05.09.2025 Просим рассмотреть сроки и стоимость изготовление деталей без учета покраски/гальвано покрытия  | 
        
        |
| 
                      ОАО Сейсмотехника, Богдан
                         +375296175351  | 
        
          04.09.2025 Просим рассмотреть возможность выполнения работ, согласно документации во вложении. заготовка детали 018117677-002 - приложение 01 заготовка детали 018117674-002 - приложение 02 заготовка детали 018117674-004 - приложение 03 заготовка детали 018117679-005 - приложение 04 заготовка детали 018117683-004 - приложение 05. Остальное КД по запросу. Гибка конической обечайки согласно тех.документации. Просим направить КП, сроки изготовления и условия оплаты на эл. адрес.  | 
        
        |
| 
                      Виталий
                         +375336666645  | 
        
          04.09.2025 Добрый день! Необходимо изготовить шкив. Материал ст45 или аналог. Материал ваш.  | 
        
        |
| 
                      ОАО  МПОВТ ,  Донской Анд
                         +375291977855  | 
        
          03.09.2025 Просьба рассмотреть возможность изготовления моточных изделий (трансформаторов, дросселей): Трансформатор ТАИС.671 152 026- 8 ШТ. Трансформатор ТАИС.671 152 005 (ТИ 650) - 20 шт. Трансформатор ТАИС.671 152 010 (ТИ 652) - 20 шт. Трансформатор ТАИС.671 152 011 (ТИ 651) - 20 шт. Трансформатор ТАИС.671 152 012 (ТИ 653) - 20 шт. Трансформатор ТАИС.671 152 013 (ТИ 654) - 20 шт. Дроссель ТАИС.672 161 007 - 8 шт. Дроссель ТАИС.671 342 002 - 40 шт. Дроссель ТАИС.671 342 003 - 24 шт. Дроссель ТАИС.671 342 005 - 20 шт. Дроссель ТАИС.671 342 006 - 20 шт. Дроссель ТАИС.672 161 010 - 60 шт. Дроссель ТАИС.672 161 011 - 20 шт. Просим выслать протокол согласования отпускных цен и сроки изготовления. https://yadi.sk/d/rKe1BQWKnqRXmA  | 
        
        |
| 
                      ООО  РБУ №2 , Татьяна
                         +375445167239  | 
        
          03.09.2025 Просим выставить счет на изготовление: Форма для лотков навозаудаления - 1шт  | 
        
        |
| 
                      Для подписчиков сайта
                         +375297035776  | 
        
          01.09.2025 Корпус МБГР. Услуги по литью чугуна, с пролитыми каналами из чугуна ВЧ60, точность отливки не обсуждается. 1000 шт в месяц. Адрес доставки - Саратовская обл., г. Саратов.  | 
        
        |
| 
                      Роман Щербунов
                         +375333146296  | 
        
          01.09.2025 Необходимо изготовить деталь в количестве 6 шт. Деталь изготавливается целиком. Металл исполнителя. Сталь 35 или похожая.  | 
        
        |
| 
                      Константин
                         +375295191591  | 
        
          01.09.2025 Порошковая покраска алюминевых и металлических изделей. Сушка в печи.  | 
        
        |
| 
                      ТБЗ Сергеевичское УП МИНГ
                         +375295505873  | 
        
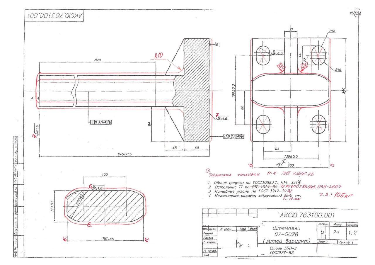
          28.08.2025 Просим вас рассмотреть возможность и выслать коммерческое предложение на изготовления со сроками 1. Штемпеля полностью литого и разборного по 10 штук 2. Плиты нижние и верхние с отверстиями под охлаждение и без отверстий по 3 шт. каждой позиции.  | 
        
        |
| 
                      Для подписчиков сайта
                         +375297035776  | 
        
          28.08.2025 Необходимо изготовление 4х валов для маслопресса. Адрес доставки - Республика Татарстан, г Альметьевск.  | 
        
        |
| 
                      Для подписчиков сайта
                         +375297035776  | 
        
          28.08.2025 Предлагаем рассмотреть возможность изготовления позиции Рычаг 1702613-10 . Количество: 10 шт. Материал: ВЧ 60 ГОСТ 7293-85. Желаемый срок поставки: 30.09.2025. В случае заинтересованности просим отправлять вопросы и КП на почту. Просьба в КП сразу указывать цену (с НДС и/ил без НДС), сроки изготовления и условия поставки. Адрес доставки - г. Тольятти.  | 
        
        |
| 
                      ТБЗ Сергеевичское УП МИНГ
                         +375295505873  | 
        
          26.08.2025 Просим вас рассмотреть возможность и выслать предложение со сроками на изготовление матрицы длинной (07-301) из ст35 согласно размерам чертежа в количестве 10 штук. Рассмотреть возможность и выслать предложение со сроками на изготовление плит по 10 штук на каждую длину из стали 35 толщиной 45 мм, шириной 182мм и длинной 1500мм и 700мм.  | 
        
        |
| 
                      Для подписчиков сайта
                         +375297035776  | 
        
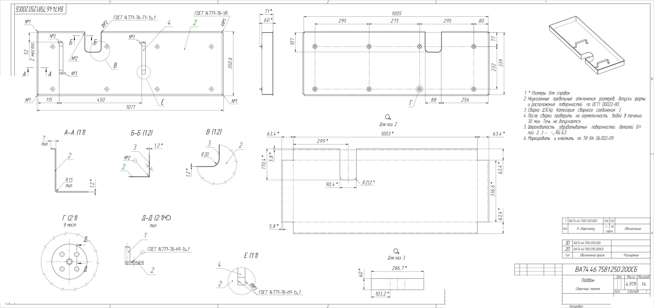
          25.08.2025 Изготовить поддон (74.46.7581.250.200) в сборе по нашим чертежам (во вложении). Материалы ваши. Пришлите, пожалуйста счет и сроки изготовления (реквизиты во вложении). Сбор КП до: 28.08.25. Адрес доставки - г. Воронеж.  | 
        
        |
| 
                      Для подписчиков сайта
                         +375297035776  | 
        
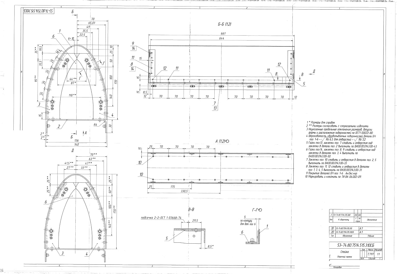
          25.08.2025 Изготовить стойки и уголки по нашим чертежам (во вложении). Материалы ваши. Пришлите, пожалуйста счет и сроки изготовления (реквизиты во вложении). Сбор КП до: 28.08.25. Адрес доставки - г. Воронеж  | 
        
        |
| 
                      Для подписчиков сайта
                         +375297035776  | 
        
          25.08.2025 ребуется мехобработка по чертежу заготовки из СЧ20. Способ доставки - Самостоятельно. 2 шт. Адрес доставки - Московская обл.  | 
        
        |
| 
                      Для подписчиков сайта
                         +375297035776  | 
        
          25.08.2025 Предлагаем рассмотреть возможность изготовления позиции Крышка виброплиты 067400.004. Описание детали: Закруглённый лист с четырьмя сквозными отверстиями d10. Материал: Поликарбонат монолитный. Желаемый срок: 15.10.2025. Адрес доставки - г. Санкт-Петербург  | 
        
        |
| 
                      ООО  Сила Металла 
                         +375256786019  | 
        
          21.08.2025 Нуждаюсь в услугах виброгалтовки, изделия из нержавейки, слегка счистить налет ржи и чтобы острые грани слегка слизались. Самая длинная деталь - 1050 мм,остальные в среднем 300-450 мм. Суммарное количество - порядка 900 шт (в основном маленькие).  | 
        
        |
| 
                      Андрей
                         +375 (29) 850-45-35  | 
        
          19.08.2025 Изготовить 20 комплектов плунжерной пары.  | 
        
        |
| 
                      Для подписчиков сайта
                         +375297035776  | 
        
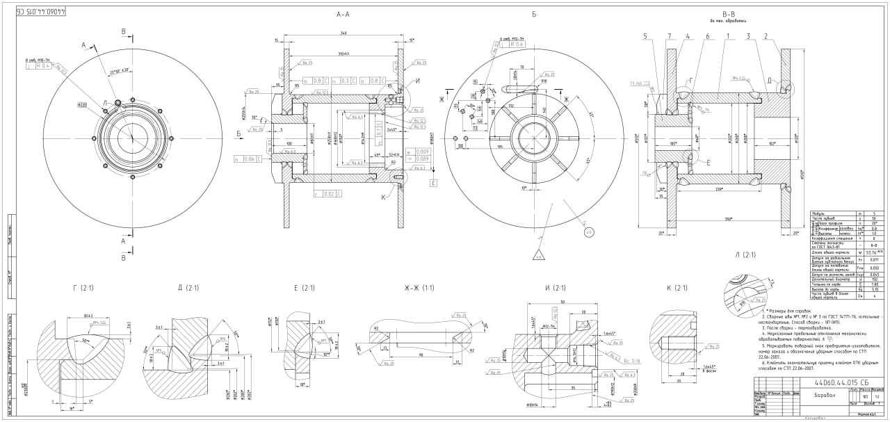
          18.08.2025 1. Корпус 442352.035.001 - 1 шт. Втулка неподвижная 442352.026.003 - 1 шт. Втулка отрезная 442352.026.004 - 1 шт. Нагревательный блок 442352.035.002 - 2 шт. 2. Холодильник 681119.027 СБ - 2 шт. 3. Изготовление огнеупорных изоляторов по приложенному чертежу из оксида алюминия (Al₂O₃, с пористостью 15–20%): Электроизолятор 681321.003.002 – требуется 4 шт. Рассматриваем изготовление как трубы (без отверстий и пазов, для нас даже предпочтительнее), так и изготовление по чертежу. В случае изготовления трубы, требуется подтверждение возможности обработки лезвийным методом для подгонки изолятора по месту. 4. Барабан в сборе 613216.011 СБ - 1 шт. Поддон 323434.001. Количество: 8 штук Желаемая дата поставки: 29.08.2025. Материал: предоставляем свои Листы AISI430 2x1040x690. Полный комплект чертежей можете запросить по почте. Адрес доставки - г Санкт-Петербург,  | 
        
        |
| 
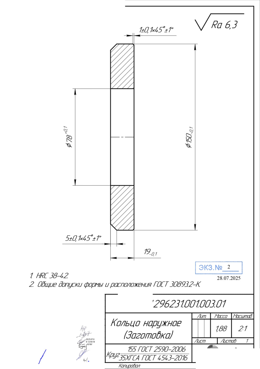
                      Для подписчиков сайта
                         +375297035776  | 
        
          18.08.2025 Наружное кольцо 296231.001.003.01. Полный комплект чертежей можете запросить по почте. 50 шт. Обращаем ваше внимание, что замена материала 35ХГСА на другие не допускается. Адрес доставки - г Санкт-Петербург,  | 
        
        |
| 
                      Для подписчиков сайта
                         +375297035776  | 
        
          18.08.2025 Гальваническое покрытие и дробеструйка. В рамках новых проектов по развитию сотрудничества в области сельскохозяйственной и железнодорожной техники ищет поставщика услуг по различным видам гальванических покрытий и дробеструйной обработке деталей. Срок оказания услуг с октября 2025г и на постоянной основе долговременно. Кол-во от 500 шт. В случае Вашей заинтересованности в сотрудничестве прошу откликнуться по электронной почте, после чего в ваш адрес будет направлено подробное ТЗ для подготовки КП. В случае положительного решения прошу направить Ваше КП. Надеемся на дальнейшее взаимовыгодное сотрудничество. В ожидании Вашего скорейшего ответа. Способ доставки - Самостоятельно. Адрес доставки - Нижегородская обл,  | 
        
        |
| 
                      Для подписчиков сайта
                         +375297035776  | 
        
          18.08.2025 Необходимо изготовление спаргеров согласно КД, по 100 шт. раз в квартал. Адрес доставки - Омская обл.  | 
        
        |
| 
                      Виктор
                         +375296855050  | 
        
          18.08.2025 Установка автоматической сварки продольных швов для труб пластин SBI SWD 1000, Tig, аргонная сварка, плазменная сварка. В хорошем состоянии. Меню на русском языке. Есть подробная инструкция на русском и английском. 120 000 руб безналичный расчет.  | 
        
        |
| 
                      ОАО МЗКТ, Кристина.
                         +375173301926  | 
        
          06.08.2025 Просим рассмотреть возможность изготовления и поставки в наш адрес жароупорных поддонов: Поддон КТ 9788-633.1 - 20 шт., Поддон КТ 9788-633.2 - 20 шт. КД прилагается. Предложения по цене и срокам поставки направлять на эл. почту.  | 
        
        |
| 
                      Евгения
                         +375 29 777 25 13  | 
        
          06.08.2025 Требуется изготовление: Подающее колесо для арматуры, есть образец с изношенными зубьями и слепок сделанный с нового оригинального, профиль пазов в зубьях с радиусом , профиль зубов 90гр.  | 
        
        |
| 
                      Для подписчиков сайта
                         +375297035776  | 
        
          05.08.2025 Необходимо изготовление опор. Основание для столба 80х80 оцинкованное (см.чертеж), количество 50 шт. -Основание для столба 60х40 оцинкованное (см.чертеж), количество 50 шт. поверхность должна быть гладкой или шероховатой, покрытие должно быть сплошным. Отсутствие вздутия, наплывов, раковин, включений, пористых участков, ржавчины/окиси, трещин, вмятин, глубоких царапин (до основного металла). Поверхность должна быть с равномерным нанесением оцинковки. Толщина цинкового покрытия, должна быть примерно одинаковой по всей площади, не должно быть утолщений (наплывов) и голого металла. Равномерность рисунка оцинковки по всей площади. Геометрические размеры и толщина должны совпадать с заказом. Способ доставки - Транспортной компанией. Адрес доставки - Московская обл.,  | 
        
        |
| 
                      Для подписчиков сайта
                         +375297035776  | 
        
          05.08.2025 Стеллаж на 11 секций для хранения рулонов металла массой 6000 кг. Подробное описание в техническом задании. В КП прошу указывать марку стали, ГОСТ, отдельно стоимость работ по монтажу. Стоимость доставки. Адрес доставки - Московская обл.  | 
        
        |
| 
                      Александр
                         +375297167112  | 
        
          05.08.2025 токарная обработка, шлифовка  | 
        
        |
| 
                      Для подписчиков сайта
                         +375297035776  | 
        
          04.08.2025 Нам нужны ролики. Материал можем предоставить есть круг ф28мм ШХ15. Можно в вакууме калить. Важно выдержать радиус. 500 шт.  | 
        
        |
| 
                      Для подписчиков сайта
                         +375297035776  | 
        
          04.08.2025 Сталь 14Х17Н2. Допускается центровочное отверстие в технологическом припуске. 50 шт.  | 
        
        |
| 
                      Для подписчиков сайта
                         +375297035776  | 
        
          04.08.2025 Необходим подрядчик, способный изготовить данный заказ. Требуется изготовление 30 шпангоутов. На предоставленных эскизах отсутствует часть размеров. Полный комплект документов отправим после подтверждения возможности изготовления. Допуски на неуказанные размеры — по ОСТ 1 00022-80. Адрес доставки - г Санкт-Петербург  | 
        
        |
| 
                      Владимир Щиглинский
                         +375297860501  | 
        
          03.08.2025 Интересует изготовление пресс-форм для алюминиевого литья. Подобных пресс-форм необходимо 7 штук  | 
        
        |
| 
                      Для подписчиков сайта
                         +375297035776  | 
        
          03.08.2025 Фланец на ФСД136 = 1 шт. Кольцо = 1 шт. Всё изготавливается согласно КД. Оплата: безналичный расчёт. Сбор КП до: 06.08.25. РФ, г. Москва  | 
        
        |
| 
                      ОАО МЗКТ
                         +375173301926  | 
        
          31.07.2025 Просим рассмотреть возможность изготовления и поставки в наш адрес: 1. Мера установочная КТ 8461-0273 - шт. 2. Оправка КТ9692-1246 - 1 шт.  | 
        
        |
| 
                      ОАО МЗКТ
                         +375173301926  | 
        
          31.07.2025 Просим рассмотреть возможность изготовления и поставки в наш адрес адаптивной плиты 9759-1232 СБ к процессу К3535А УСИЛЕНИЕМ 315Т. КД прилагается. Предложения направляйте на электронную почту.  | 
        
        |
| 
                      ОАО МЗКТ
                         +375173301926  | 
        
          31.07.2025 Просим рассмотреть возможность изготовления и поставки нашему предприятию: поддерживающий нож 7034-4108 - 9 шт., поддерживающий нож 7034-4109 - 10 шт., поддерживающий нож 7034-4113 - 5 шт., поддерживающий нож 7034-4114 - 5 шт., поддерживающий нож 7034-4116 - 4 шт.  | 
        
        |
| 
                      Для подписчиков сайта
                         +375297035776  | 
        
          31.07.2025 Требуется изготовление металлических пластин из Ст 10 в двух типоразмерах. Способ оплаты: Предоплата (аванс) – частичная или полная предварительная оплата по заказу. Сбор КП до: 06.08.25. 180451 - 10 шт, 183198-1(1) - 6 шт.  | 
        
        |
| 
                      Для подписчиков сайта
                         +375297035776  | 
        
          30.07.2025 Необходимо изготовить детали, указанные во вложении, срок до 15.09.2025. По 1 шт. Р.Ф, г. Санкт-Петербург  | 
        
        |
| 
                      Для подписчиков сайта
                         +375297035776  | 
        
          30.07.2025 Предлагаем рассмотреть возможность изготовления: Наружное кольцо 296231.001.003.01. Полный комплект КД по запросу. Обращаем ваше внимание, что замена материала 35ХГСА на другие не допускается. 50 шт. РФ. г. Санкт-Петербург  | 
        
        |
| 
                      Александр
                         +375 (29) 571-54-99  | 
        
          30.07.2025 Изготовление согласно чертежу в количестве 10 штук  | 
        
        |
| 
                      Для подписчиков сайта
                         +375297035776  | 
        
          29.07.2025 Прошу рассмотреть возможность изготовления. Каждой позиции по 144 шт. Припуск на заготовке 5 мм. Адрес доставки: Ростовская обл., г Ростов-на-Дону,  | 
        
        |
| 
                      Для подписчиков сайта
                         +375297035776  | 
        
          29.07.2025 Просим вас изготовить опаковочные пластины в количестве 24 шт. согласно чертежа № KI.2419.00.00. Сообщите стоимость, сроки, условия поставки и оплаты до 04.08.25г. Предложения отправляйте на почту.  | 
        
        |
| 
                      ОАО  Белшина  Дарья
                         +375225709395  | 
        
          29.07.2025 Просим рассмотреть возможность поставки в наш адрес гидравлических ножниц для резки сверхкрупногабаритных шин и шин карьерной техники (ЦМК конструкции и комбинированных шин) в соответствии с техническим заданием. Кол-во 1 шт. КП просьба направлять на fedotovai@belshina.by  | 
        
        |
| 
                      Для подписчиков сайта
                         +375297035776  | 
        
          27.07.2025 Изготовление резца фасонного. Просьба прислать КП на 5 шт. Сбор КП до: 31.07.25. Способ оплаты: Предоплата (аванс) – частичная или полная предварительная оплата по заказу. Изготовление матрицы. Просьба прислать КП на 1 шт. Сбор КП до: 31.07.25. Способ оплаты: Предоплата (аванс) – частичная или полная предварительная оплата по заказу. Регион - РФ., Москва  | 
        
        |
| 
                      ОАО МЗКТ, Кристина
                         +375173301926  | 
        
          27.07.2025 Изготовление различных приспособлений 16 номенклатурных позиций по 1 шт.  | 
        
        |
| 
                      Для подписчиков сайта
                         +375297035776  | 
        
          27.07.2025 Необходимы ролики. Материал можем предоставить есть круг ф28мм ШХ15, можно в вакууме калить. Роликов нужно 500 штук . Важно выдержать радиус .  | 
        
        |
| 
                      Артем
                         +375291244478  | 
        
          27.07.2025 Необходимо изготовить правую и левую опоры, каждой нужно по 18 штук. Материал поковка ст45 можем предоставить самостоятельно. КД по запросу.  | 
        
        |
| 
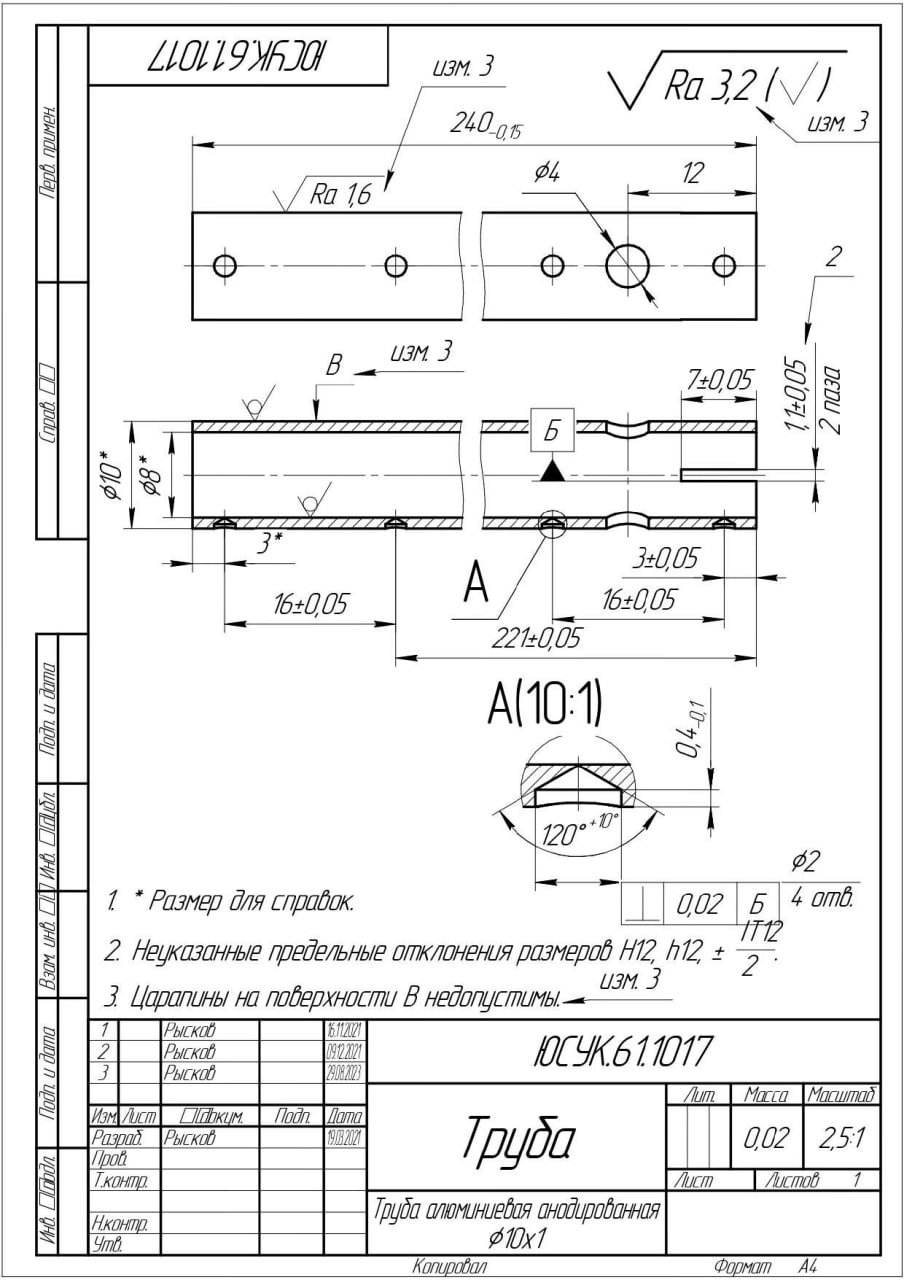
                      Анатолий
                         +7 (921) 912-01-14  | 
        
          27.07.2025 Изготовить следующие детали: 1. 61.1017 Труба - 100 шт. 2. 22.1004 Трубка ИТО - 70 шт. Материала: трубка АД31 с заводским прозрачным анодированием Обязательно с сохранением заводского анодирования, не допуская на нем царапин.  | 
        
        |
| 
                      ООО Термозащита, Илья
                         +375259622297  | 
        
          23.07.2025 Просим выставить счет на приобретение — Клапан регулирующий 3-х ходовой смесительный фланцевый TRV -3 -15-4,0 – 101 - 1 ш.  | 
        
        |
| 
                      Для подписчиков сайта
                         +375297035776  | 
        
          23.07.2025 Предлагаем рассмотреть возможность изготовления огнеупорных изоляторов по приложенному чертежу из оксида алюминия (Al₂O₃, с пористостью 15–20%): Электроизолятор ВРЛМ.681321.003.002 – требуется 4 шт. Рассматриваем изготовление как трубы (без отверстий и пазов, для нас даже предпочтительнее), так и изготовление по чертежу. В случае изготовления трубы, требуется подтверждение возможности обработки лезвийным методом для подгонки изолятора по месту. Потребность разовая.  | 
        
        |
| 
                      ЧПУП  Сила Металла ,
                         +375256786019  | 
        
          23.07.2025 Нужно поправить деталь, снять с каждой стороны по 2,5-3мм. Размер между ушами должен получиться 180-181мм.  | 
        
        |
| 
                      Для подписчиков сайта
                         +375297035776  | 
        
          18.07.2025 Необходимо изготовление. Штифт 2,5m6х20-Zn ISO 2338 - 35 шт. Заклепка 6х40-А2 DIN 7341 - 35 шт. Заклепка А 12х70-А2 DIN 7341 - 75 шт.  | 
        
        |
| 
                      ЗАО Чистый берег
                         +375445839663  | 
        
          18.07.2025 Необходимо расточить отверстия и нарезать резьбу на гидравлических насосах (4 штуки). Есть образец для замера отверстия и резьбы. Необходимые размеры отверстий 1/4 и 3/4 для каждого насоса. Резьба конусная. Глубина 10-15мм (зафиксируем после обсуждения и ознакомления ТЗ) дополнительная информация по телефону. По Минску и району могу подвезти для более полного изучения задачи и возможности исполнения. 4 шт.  | 
        
        |
| 
                      Николай Николаевич
                         +375 (162) 40-61-89  | 
        
          17.07.2025 Необходимо осуществить гибку труб согласно чертежу. Трубы Д16Т ф35х5 и марок 1561, АД31Т ф32х3. Для отработки технологии изготовления изделия пока трубы в количестве 1 шт (по 3 метра) каждой из указанных марок. По всем вопросам обращать по тел. +375(162) 40-61-89 Николай Николаевич, либо 8033-397-68-44 Анна.  | 
        
        |
| 
                      Кухарев Дмитрий Александр
                         80291830304  | 
        
          15.07.2025 Изготовление захватов по чертежам заказчика.  | 
        
        |
| 
                      ООО  ТриАлТехГрупп
                         +375295559900  | 
        
          12.07.2025 Необходимо на правильно-отрезном станке выправить из бухты проволоку и порезать по длине 3 метра. Диаметр проволоки 6 мм. 3 бухты по 17 кг.  | 
        
        |
| 
                      ОАО  Сейсмотехника 
                         +375296175351  | 
        
          12.07.2025 Просим сообщить о технической возможности изготовления комплектующих, в соответствии с запросом во вложении и, по возможности, направить коммерческое предложение.  | 
        
        |
| 
                      Андрей
                         +375291573062  | 
        
          12.07.2025 изготовить нож зубчатый 1шт  | 
        
        |
| 
                      Андрей
                         +375291573062  | 
        
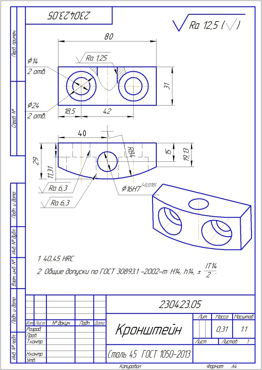
          11.07.2025 изготовить кронштейн 4шт. оперативно. можно без ТО и радиуса.  | 
        
        |
| 
                      Кухарев Дмитрий Александр
                         80291830304  | 
        
          10.07.2025 Изготовление приспособления по чертежам заказчика  | 
        
        |
| 
                      Роман Щербунов
                         80333146296  | 
        
          10.07.2025 Изготовление деталей с финишной полировкой  | 
        
        |
| 
                      ЛЕПЕЛЬСКАЯ РАЙОННАЯ ВЕТ. 
             lepelvet@lepel.vitebsk-region.gov.by +375213233420  | 
        
          09.07.2025 Просим Вас предоставить информацию о стоимости указанных товаров в срок по 12.07.2025г. на электронную почту: 1. Стерилизатор паровой вертикальный полуавтоматический 2. Шейкер качающий (3D типа) 3. Микроскоп 4. Вытяжной шкаф 5. Шкаф сушильный СЭШ-3М Подробнее о характеристиках во вложении.  | 
        
        |
| 
                      ООО ХАВЕР ВУ металлотканы
                         +375296470488  | 
        
          08.07.2025 Актуальные позиции для нужд собственного производства: 1. XBY 16062025-001 Кронштейн - 20шт Прошу указать цену и сроки.  | 
        
        |
| 
                      ОАО  ММЗ  Гарбар В.М.
                         +375172183223  | 
        
          08.07.2025 В порядке оказания технической помощи ОАО УКХ МИНСКИЙ МОТОРНЫЙ ЗАВОД , прошу рассмотреть возможность ионного азотирования конусной части (конуса 45АТ5) и прилегающей торцевой поверхности расточного шпинделя 2А620.225.107. КД прилагается.  | 
        
        |
| 
                      ЗАО Завод корпусных издел
                         +375445654515  | 
        
          08.07.2025 Возможно ли изготовить на вашем предприятии следующую деталь в кол-ве 10 шт?  | 
        
        |
| 
                      Максим
                         +375 44 7651290  | 
        
          02.07.2025 Просим рассмотреть сроки и стоимость изготовление деталей без учета покраски/гальвано покрытия  | 
        
        |
| 
                      Александр
                         80447169147  | 
        
          01.07.2025 Необходимо изготовление изделий из ПОМ согласно чертежа в количестве — 16 шт.  | 
        
        |
| 
                      Для подписчиков сайта
                         +375297035776  | 
        
          25.06.2025 Просим прислать КП на изготовление позиций в кол-ве 50 шт. каждой. Без покрытия.  | 
        
        |
| 
                      Кухарев Дмитрий Александр
                         80291830304  | 
        
          25.06.2025 Изготовление контрольных приспособлений по чертежам заказчика.  | 
        
        |
| 
                      Максим
                         +375 44 7651290  | 
        
          23.06.2025 Просим рассмотреть сроки и стоимость изготовление деталей без учета покраски/гальвано покрытия  | 
        
        |
| 
                      ООО  КАСТМИРОН . Артём
                         +375291244478  | 
        
          22.06.2025 Обработка согласно КД. Сталь 40X. 3 шт.  | 
        
        |
| 
                      ОАО  МПОВТ , Марина
                         +375297717266  | 
        
          22.06.2025 В порядке оказания технической помощи прошу рассмотреть возможность выполнения токарной обработки подстроечника (до диаметра 3,5 Тг7 076 006-01) - 204 шт. из давальческого материала. На электронный адрес присылайте протокол согласования договорной цены.  | 
        
        |
| 
                      Для подписчиков сайта
                         +375297035776  | 
        
          17.06.2025 Изготовление согласно КД из давальческого материала по 22 шт.  | 
        
        |
| 
                      Андрей
                         +375293586005  | 
        
          17.06.2025 lдля россиского тельфера мод. ТЭ100-51120 lнужно зуб .колесо ( диам. 188х38 мм, z=92)  | 
        
        |
| 
                      Для подписчиков сайта
                         +375297035776  | 
        
          15.06.2025 Срочно требуется изготовить втулки. Материал изготовления Капролон-полиамид РА-6. Таких втулок нужно срочно 200 штук Готовы доплатить за срочность и ещё 500 штук нужно позже. Заготовка PA-6 КГТП-4,6.03.05.003 30.0x25.0X20.0 - 200 штук СРОЧНО НУЖНЫ. Мтериал можем предоставить если нужно.  | 
        
        |
| 
                      Для подписчиков сайта
                         +375297035776  | 
        
          12.06.2025 Просим рассмотреть возможность изготовления и поставки в наш адрес следующих деталей: 1. Стойка СТУ8.04.001 в количестве 300-500 штук в год 2. Подпружинник СТУ8.04.002 в количестве 300-500 штук в год Срок поставки опытной партии - август-сентябрь 2025 года.  | 
        
        |
| 
                      Для подписчиков сайта
                         +375297035776  | 
        
          12.06.2025 Просим рассмотреть возможность изготовления и поставки в наш адрес детали согласно чертежа Штырь-ворошитель - в количестве 11000 штук (одинадцать тысяч) Срок изготовления до 15.07.2025 Материал штыря можно заменить с учетом технологии изготовления. Рассматриваем вариант из черного металла с последующей цинковкой.  | 
        
        |
| 
                      УПТК УДМСиБ Мингорисполко
                         +375297024576  | 
        
          10.06.2025 Просим в срок до 11.06.25 г до 16.00 выслать счет по электронной почте на закупку следующих товаров: Канат стальной конструкции 8x19f (1+6+6f+12)+7x7(1+6), din 3061 17мм. 45 метров  | 
        
        |
| 
                      ОАО  БЗТДиА , Елена
                         +375225469118  | 
        
          08.06.2025 Просим Вас рассмотреть возможность изготовления и поставки в наш адрес следующих наименований: 1. Приспособление контрольное 587.8538-4046 - 1 шт. 2. Приспособление контрольное 587.8538-4047 - 1 шт. 3. Приспособление 587.8534-4477 - 1 шт. 4. Приспособление 587.8534-4478 - 1 шт. 5. Кольцо непроходное поэлементное 8312-7681 - 3 шт. 6. Калибр 8369-8108 - 3 шт. 7. Ролик 8344-7156-14 - 3 шт.  | 
        
        |
| 
                      Для подписчиков сайта
                         +375297035776  | 
        
          08.06.2025 Необходимо выполнить 2 шпоночных паза на валу с помощью электроэрозии. Кол-во валов - 30 шт.  | 
        
        |
| 
                      Для подписчиков сайта
                         +375297035776  | 
        
          08.06.2025 Изготовление согласно КД. Остальное КД по запросу.  | 
        
        |
| 
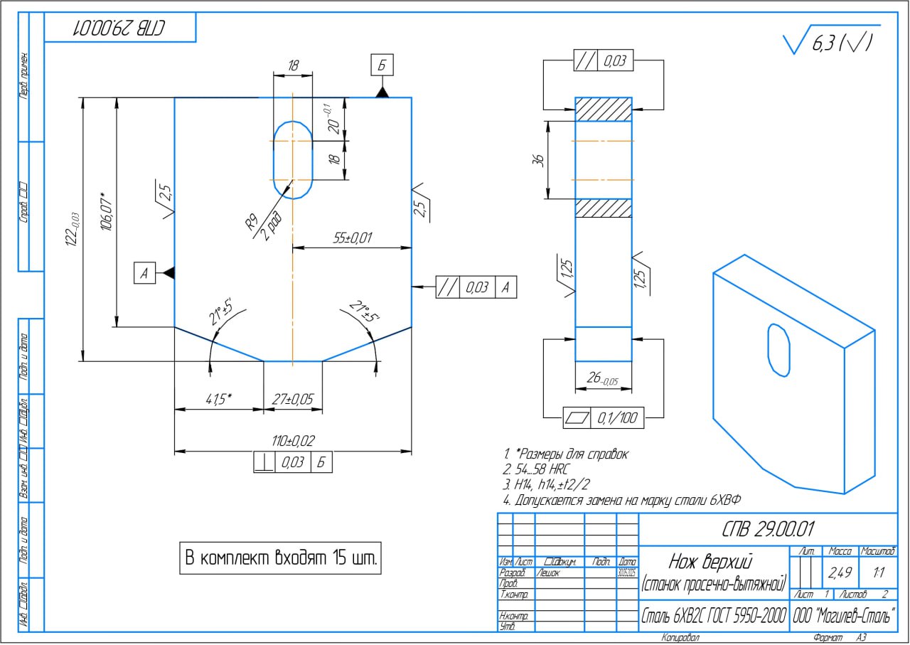
                      ООО  Могилев-Сталь 
             alexander.kreerenko@saryarka.by +375295453846  | 
        
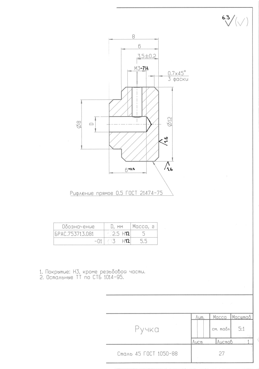
          08.06.2025 Интересуют ножи для просечно-вытяжного станка. Верхние -15 шт. Нижние - 3 шт.  | 
        
        |
| 
                      ОАО Сейсмотехника
                         +375296175351  | 
        
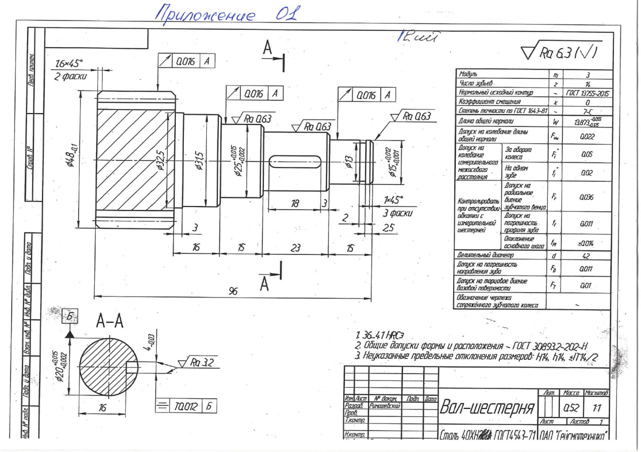
          04.06.2025 Просим рассмотреть возможность обработки деталей в соответствии со следующими данными. Вал-шестерня (12 шт.) нарезка зубьев согласно приложению 01. Вал -шестерня (12 шт.) нарезка зубьев согласно приложению 02. Прошу ознакомиться с запросом во вложении и, по возможности, направить нам коммерческое предложение в наиболее короткий срок.  | 
        
        |
| 
                      Для подписчиков сайта
                         +375297035776  | 
        
          04.06.2025 Изготовление деталей по чертежам. 36 номенклатурных позиций, остальное по запросу. По 100 шт. раз в квартал. Регион РФ.  | 
        
        |
| 
                      Для подписчиков сайта
                         +375297035776  | 
        
          04.06.2025 Изготовление фасонных резцов по чертежам.  | 
        
        |
| 
                      Борис
                         +375 44 728-99-28  | 
        
          03.06.2025 Стальное литье. 200шт.  | 
        
        |
| 
                      Для подписчиков сайта
                         +375297035776  | 
        
          01.06.2025 Изготовление деталей согласно КД. Остальные КД по запросу.  | 
        
        |
| 
                      ООО Виваремтех
                         +375297737787  | 
        
          01.06.2025 Требуется восстановить посадку подшипника в крышке альтернатора двигателя (генераторная часть). Работа должна быть выполнена на координатно-расточном станке.  | 
        
        |
| 
                      Для подписчиков сайта
                         +375297035776  | 
        
          01.06.2025 Необходимо обработать детали с соблюдением всех указанных размеров. После обработки детали должны иметь товарный вид, без заусенцев и острых кромок. Особое внимание следует уделить детали РТЛП.711161.002 — заготовке в виде трубы, где обрабатывается наружная поверхность, гравировку делать не нужно. Количество деталей: РТЛП.711161.002 — 20 шт. РТЛП.711151.001 — 20 шт. РТЛП.711764.001 — 20 шт. РТЛП.7116117.001 — 20 шт.  |